相關資訊
咨詢熱線:
0513-88602618
傳真:0513-88600216
郵編: 226661
郵箱: hahyjd@126.com
hyjd868@pub.nt.jsinfo.net
地址: 江蘇海安曲塘工業園區建設路3號
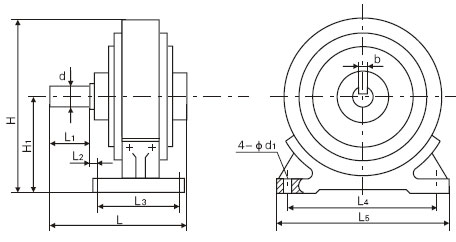
CZ-型機座式磁粉制動器


| 型號 | 技術參數 | 安 裝 尺 寸 | |||||||||||||
| 額定 轉矩 N.m | 激磁 電流 A | 允許滑差功率W | 冷卻 方式 | d | H1 | H | L | L1 | L2 | L3 | L4 | L5 | d1 | b | |
| CZ-0.2 | 2 | 0.4 | 100 | 自冷 | 9 | 55 | 105 | 106 | 20 | 33 | 26 | 100 | 115 | 5.5 | 削平 |
| CZ-0.5 | 5 | 0.5 | 300 | 自冷 | 12 | 72 | 139 | 120 | 21 | 23 | 60 | 110 | 125 | 6.5 | 4 |
| CZ-1 | 10 | 0.6 | 800 | 水冷 | 12 | 100 | 188 | 135 | 26 | 16 | 70 | 155 | 180 | 9 | 4 |
| CZ-2 | 20 | 0.6 | 1600 | 水冷 | 18 | 120 | 220 | 144 | 30 | 20 | 78 | 155 | 190 | 11 | 6 |
| CZ-5 | 50 | 0.8 | 3500 | 水冷 | 22 | 150 | 260 | 165 | 35 | 14 | 110 | 185 | 230 | 11 | 6 |
| CZ-10 | 100 | 1 | 7000 | 水冷 | 28 | 165 | 300 | 305 | 55 | 37.5 | 100 | 185 | 274 | 13 | 8 |
| CZ-20 | 200 | 2 | 10000 | 水冷 | 35 | 180 | 335 | 341 | 70 | 35.5 | 125 | 268 | 320 | 13 | 10 |
| CZ-40 | 400 | 2.5 | 12000 | 水冷 | 45 | 210 | 385 | 343 | 70 | 23 | 150 | 300 | 350 | 13 | 14 |
| CZ-50 | 500 | 2.5 | 14000 | 水冷 | 60 | 240 | 440 | 634 | 100 | 53 | 230 | 340 | 420 | 17 | 18 |
| CZ-100 | 1000 | 2.5 | 18000 | 水冷 | 60 | 280 | 522 | 478 | 100 | 31 | 220 | 430 | 500 | 17 | 18 |
| CZ-200 | 2000 | 3 | 25000 | 水冷 | 75 | 325 | 610 | 543 | 110 | 50 | 250 | 520 | 600 | 22 | 20 |
| CZ-500 | 5000 | 3 | 40000 | 水冷 | 90 | 430 | 818 | 662 | 140 | 50 | 320 | 600 | 700 | 22 | 25 |
| CZ-1000 | 10000 | 4 | 50000 | 水冷 | 120 | 600 | 1125 | 740 | 160 | 40 | 360 | 900 | 1030 | 26 | 32 |
一、概述
CZ-型機座式磁粉制動器是一種性能優越的自動控制元件。它以磁粉為工作介質,以激磁電流為控制手段,達到控制制動或傳動轉矩的目的.其輸出轉矩與激磁電流呈良好的線性關系而與轉速或滑差無關,并具有響應速度快結構簡單等優點。廣泛應用于印刷、包裝、造紙及紙品加工、紡織、印刷、電線、電纜、橡膠皮革、金屬箔帶加工等有關卷取裝置的張力自動控制系統中。
二、 CZ-型機座式磁粉制動器的用途:
1、緩沖起動,停止用。
2、連續滑動、張力控制用
3、轉矩限制器用
4、高速應答用
5、動力吸收用
6、定位停止用
三、使用及注意事項
1、磁粉制動器用直流電作激磁電源。
2、磁粉制動器在運輸過程中,常使磁粉聚集到某處,甚至會出現“卡死”現象,此時只需將制動器整體翻動,使磁粉松散開來,或用杠桿撬動。同時,在使用前應進行跑合運轉,通以20%左右的額定電流運轉幾秒鐘后斷電再通電。反復幾次。為了防止運輸中磁粉沉淀,cz-50%以上磁粉制動器在測試后將磁粉倒出另裝,可在跑合過程中將磁粉從磁粉孔逐漸注入。
3、磁粉制動器的選型一般以其制動轉矩上限來確定。在無變速機構的情況下卷繞材料所需的張力上限與卷繞半徑上限的乘積應不超過制動器的額定轉矩。當放卷速度較快時,應保證制動器的實際滑差功率小于其允許滑差功率。








