相關資訊
咨詢熱線:
0513-88602618
傳真:0513-88600216
郵編: 226661
郵箱: hahyjd@126.com
hyjd868@pub.nt.jsinfo.net
地址: 江蘇海安曲塘工業園區建設路3號
CJF-型法蘭式磁粉離合器


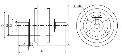
| 型號 | 技術參數 | 安 裝 尺 寸 | ||||||||||||
| 額定轉矩 N.m |
激磁電流 a |
允許滑差功率W | d | D | D1 | D2 | D3 | L | L1 | L2 | L3 | d1 | b | |
| CJF-0.6 | 6 | 0.9 | 80 | 12 | 140 | 80 | 65 | 42 | 165 | 30 | 20 | 20 | 6 | 4 |
| CJF-1.2 | 12 | 1 | 120 | 15 | 152 | 80 | 65 | 50 | 188 | 30 | 24 | 20 | 6 | 5 |
| CJF-2.5 | 25 | 1.6 | 200 | 20 | 188 | 95 | 78 | 62 | 236 | 40 | 29 | 23 | 6 | 6 |
| CJF-5 | 50 | 2.5 | 300 | 25 | 220 | 120 | 100 | 74 | 281 | 60 | 28 | 23 | 6 | 8 |
| CJF-10 | 100 | 2.5 | 460 | 30 | 288 | 160 | 140 | 100 | 360 | 65 | 35 | 30 | 10 | 8 |
| CJF-20 | 200 | 2.5 | 720 | 35 | 335 | 174 | 150 | 110 | 365 | 65 | 40 | 35 | 10 | 10 |
| CJF-40 | 400 | 3 | 1000 | 45 | 395 | 230 | 200 | 130 | 460 | 90 | 38 | 36 | 12 | 14 |
| CJF-120 | 1200 | 3 | 1800 | 65 | 520 | 260 | 210 | 170 | 560 | 80 | 45 | 40 | 13 | 18 |
一概述
磁粉離合器是根據電磁原理和利用磁粉傳遞轉矩的。具有激磁電流和傳遞轉矩基本成線性關系。
二、CJF-型法蘭式磁粉離合器特點
1、磁粉離合器是一種性能優越的自動控制元件。
2、具有高線性,高精度轉矩控制。
3、采用耐高溫線圈超合金磁粉,使用壽命長,連接圓滑。
4、CNC精密制造,精確度高,加工精細,線性度好,性能優越 。
5、磁粉純度高,不加黑色碳粉,性能穩定,壽命長。
6、鋁合金構造,具有優良的散熱性能,良好的退磁性,響應速度快。
7、運行平穩、在啟動、運行、制動狀態下,無振動、無沖擊、無噪聲。
8、轉矩與激磁電流在規定的轉矩范圍內成正比,可以作為線性調節元件。
磁粉制動器
推薦產品








